

Ale -10%
Jarrurumpu 4x100/m12x1.5, 2051 euro 2051 jarru Kompaktilaakeri 39/72
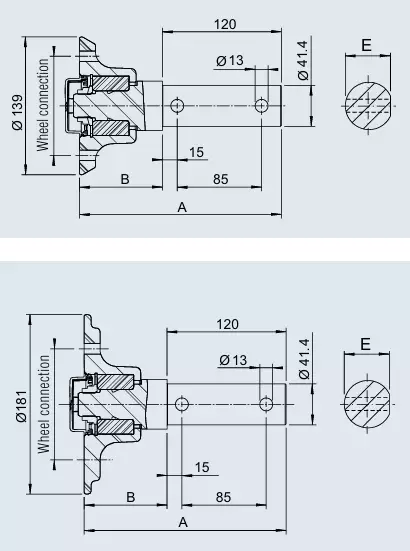
Euro, sis kompaktilaakerin rivoitettu valunumeroita 581063 tai 605121 ETI 811 002, 811 135Varaosat1224803 Laakeri.1224804 Laakeri.581197 Rasvakuppi.571510 Levitin.21873708 Säätöratas+ruuvi.371387...
123,30 €Ovh. 137,00 €
Heti varastosta 4 kpl (Verkkokaupan varasto)















































































